8 (921) 799-69-99 обратный звонок
Каталог

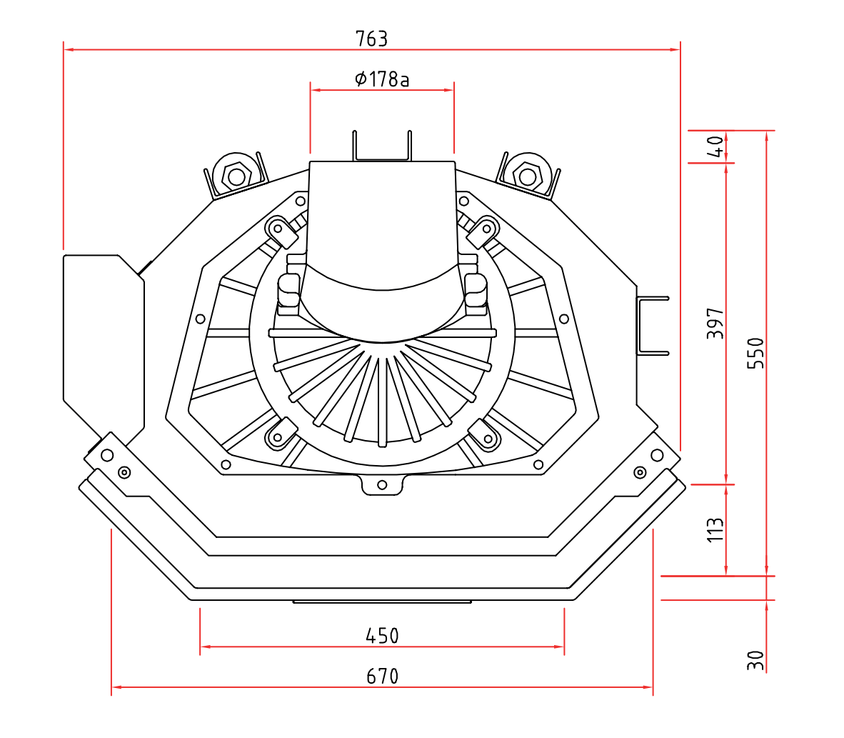
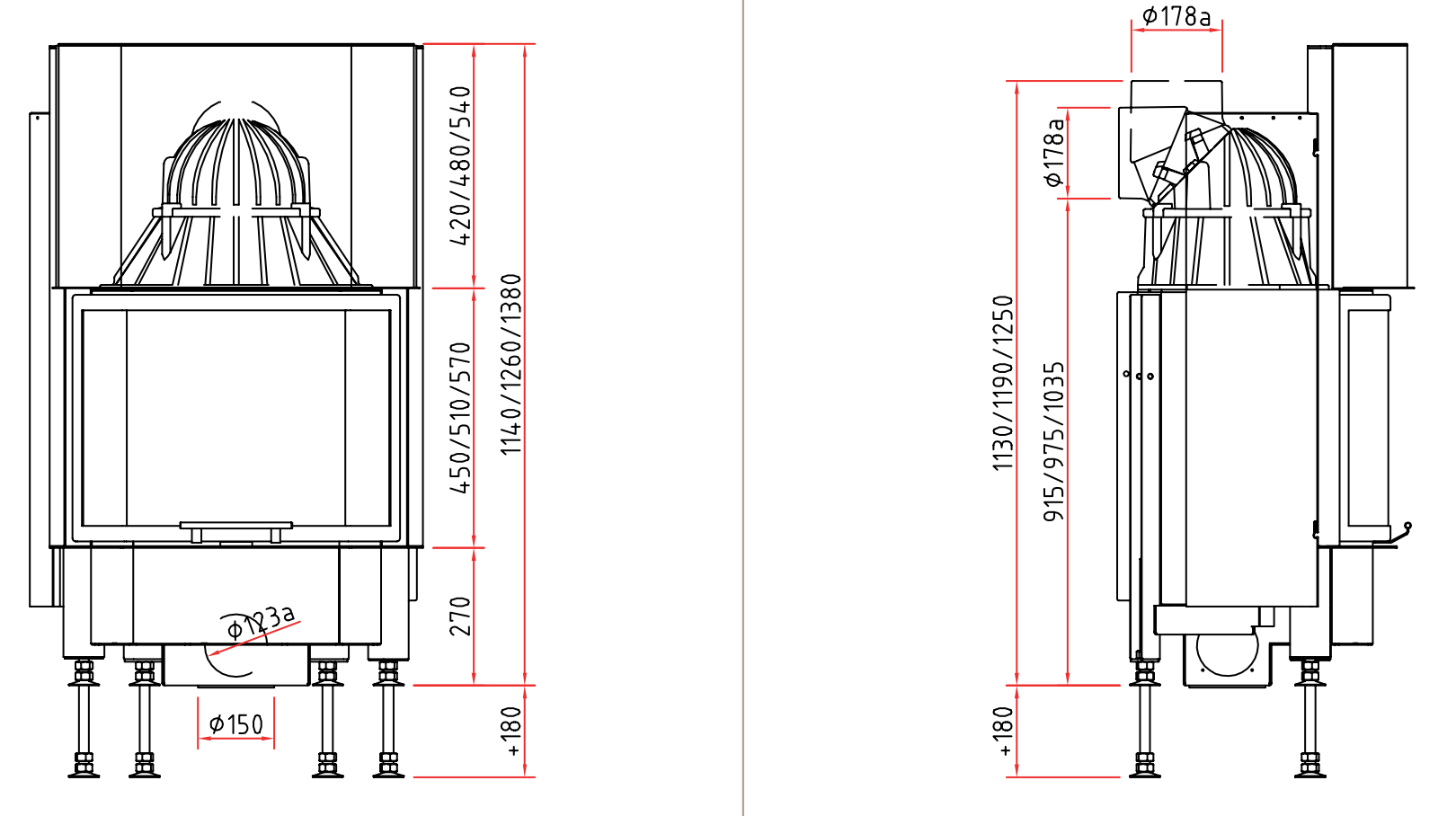
Каминная топка с панорамным стеклом и верхним подъемом Schmid Pano 6757 h

Каминная топка с панорамным стеклом и верхним подъемом Schmid Pano 6757 h
Каминная топка с панорамным стеклом и верхним подъемом Schmid Pano 6757 h
Каминная топка с панорамным стеклом и верхним подъемом Schmid Pano 6757 h
Каминная топка с панорамным стеклом и верхним подъемом Schmid Pano 6757 h
601 503 ₽
Производитель
Schmid
Остекление
Цельногнутое
Подвод внешнего воздуха
да
Общие
Производитель
Schmid
Основные
Водяной контур
Нет
Тип
Каминная топка
Форма стекла
Панорамное призматическое
Особенности
Остекление
Цельногнутое
Подвод внешнего воздуха
да
Подъем стекла вверх
Да
Шибер
Нет
Разгрузка товара*:
Товар весом до 150 кг - 2 000 р., свыше - от 3 000 р.
* в стоимость входит выгрузка товара из машины и занос его до места установки.
Оплата:
Оплата товара и стоимости доставки осуществляется наличным платежом курьеру в момент доставки, либо в офисе.

Топка Schmid Pano 6757 h разработана для создания эстетичного и функционального каминного решения. С цельным призматическим стеклом и мощностью 9 кВт, она способна обогревать значительные площади, сохраняя при этом экономичный расход дров всего 0,8 кг/ч.

Конструктивные особенности включают термостойкую краску «Сенотерм» без содержания фосфора, что обеспечивает быстрое обгорание при первой протопке. Колосниковая решетка из чугуна толщиной 15 мм отличается долговечностью, а удобная ручка позволяет легко поднимать решетку без специальных инструментов.

Модель предлагает два варианта открывания дверцы - боковое и верхнее с подъемным механизмом. Регулируемые по высоте ножки (от 170 до 300 мм) значительно упрощают монтаж и подключение к дымоходу. Возможность подачи внешнего воздуха диаметром 125 или 150 мм обеспечивает оптимальное горение.

Эта топка станет отличным выбором для тех, кто ищет надежное немецкое оборудование с возможностью различных вариантов оформления дверных рамок и длительной гарантией 5 лет.


В ту же цену

Наши рекомендации

Отзывы и оценки (0)